Sign In | Join Free | My lightneasy.org
China LINK-PP INT'L TECHNOLOGY CO., LIMITED logo
LINK-PP INT'L TECHNOLOGY CO., LIMITED
LINK-PP INT'L TECHNOLOGY CO., LIMITED
Verified Supplier

13 Years

Home > RJ45 Modular Jack >

LPJ16264AENL Single Port RJ45 Connector with 10/100Base-T Magnetic

LINK-PP INT'L TECHNOLOGY CO., LIMITED
Trust Seal
Verified Supplier
Credit Check
Supplier Assessment
Contact Now

LPJ16264AENL Single Port RJ45 Connector with 10/100Base-T Magnetic

  • 1
  • 2

Place of Origin : Guangdong,China

Brand Name : LINK-PP

Certification : UL,ROHS,Reach,ISO

Model Number : LPJ16264AENL

MOQ : 50/500/1000/25K

Price : $0.09-$1.85 can be negotiated

Packaging Details : 50pcs/tray,1200pcs/carton

Delivery Time : Stock

Payment Terms : TT,NET30/60/90 Days

Supply Ability : 250000-320000/Month

Product Name : RJ45 Magnetic Connector

Number of P0rt : 1X1 Single Port

Ethernet Applications : 10/100Base-T

Mounting : Through Hole

Tab Direction : Tab Up

LED L / R Color : Green / Yellow

Contact Now

Quick Details of Single Port RJ45 Connector

  • LPJ16264AENL LINK-PP Rj45 Fastjacks
  • RJ45 Connector with 10/100 Base-T Integrated Magnetics
  • With left green, right yellow LED Indicator
  • Meets IEEE 802.3 specification
  • 1x1 Tab up compact design
  • Alternatives to 5-6605758-8
  • Designed to support applications, such as SOHO(ADSL modems), LAN-on-Motherboard
  • Operating Temperature: 0℃~70℃
  • Wave solder tip temperature: 265℃ Max
  • Wave solder tip temperature time: 5 Sec Max

LPJ16264AENL(5-6605758-8) RJ45 Datasheet:

LPJ16264AENL.pdf

Electrical Specifications @25℃

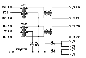
1. Turns Ratio(±2%):
TX=1CT:1CT RX=1CT:1CT
2. Primary Inductance(1-2, 5-6): 350uH Min
@100KHz,0.1Vrms,8mA DC bias
3. Insertion Loss:
0.5-100MHz: -1.1dB Max
4. Return Loss(dB Min):
0.5-30MHz:-18
30-60MHz:-16
60-80MHz:-12
5. Crosstalk(dB Min):
0.5-40MHz: -35
40-100MHz: -[33-20LOG(f/50)]
6. Common Mode Rejection Ratio:
0.5-100MHz: -30dB Min
7. Hipot Test: 1500Vrms
8. Operating Temperature: 0℃~70℃.

LPJ16264AENL Single Port RJ45 Connector with 10/100Base-T Magnetic

LPJ16264AENL Single Port RJ45 Connector with 10/100Base-T Magnetic

LPJ16264AENL Single Port RJ45 Connector with 10/100Base-T Magnetic

Meet the LINK-PP Team: A Diverse Force of Innovation

At LINK-PP, we understand the power of innovation in our team. We believe in diversity and inclusion. We unite as a unified force with the common goal of meeting customer needs. Our dedicated and collaborative teams work closely across functions and regions. This collaborative approach not only guarantees quality and service but also drives us to be at the forefront of technological advancements.

LINK-PP's culture is high-quality, innovative, win-win, and public welfare. Dedicated to providing cutting-edge RJ45 connectors with integrated magnetics. When you choose LINK-PP, you're joining forces with a diverse, inclusive, and dedicated team.


Product Tags:

100Base T RJ45 Magnetic Connector

      

1x1 PCB Mount RJ45 Plug

      

5-6605758-8 Magnetic RJ45 Jack

      
Buy cheap LPJ16264AENL Single Port RJ45 Connector with 10/100Base-T Magnetic product

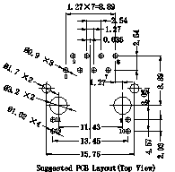
LPJ16264AENL Single Port RJ45 Connector with 10/100Base-T Magnetic Images

Inquiry Cart 0
Send your message to this supplier
 
*From:
*To: LINK-PP INT'L TECHNOLOGY CO., LIMITED
*Subject:
*Message:
Characters Remaining: (0/3000)